


























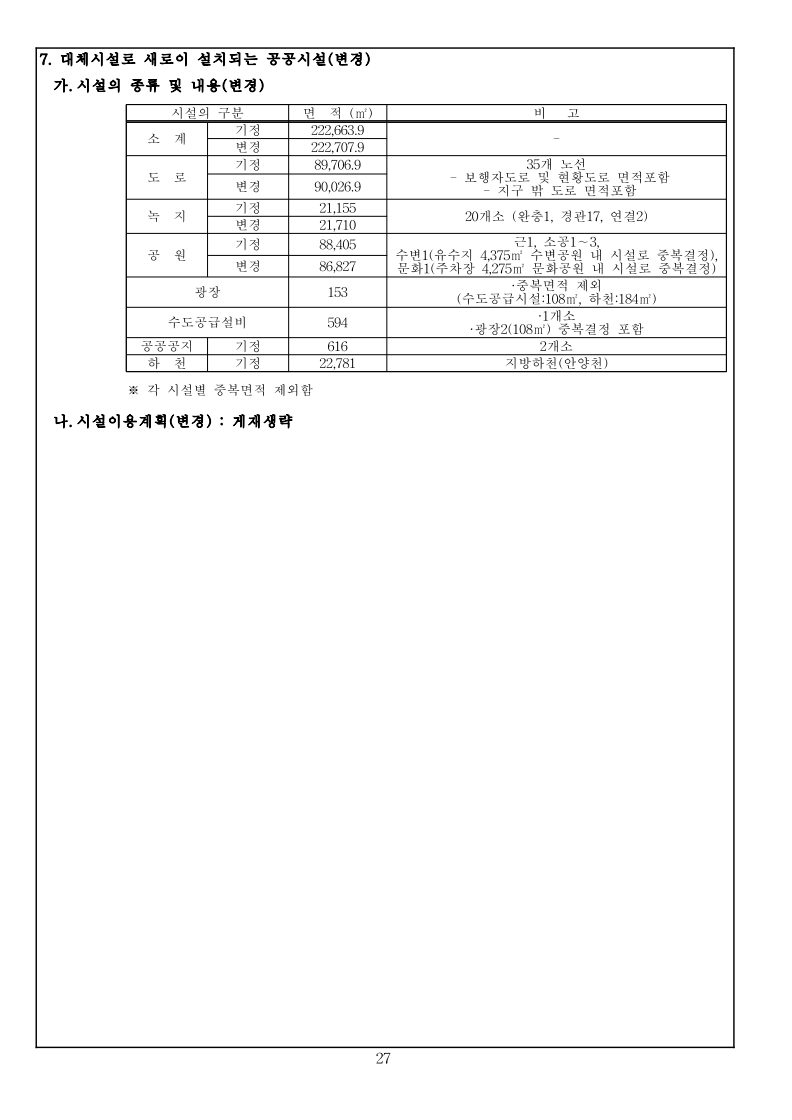
1 국토교통부고시 제2023-000호 의왕고천 공공주택지구 지구계획 변경(4차) 승인 국토교통부고시 제2022-778호(2022.12.22.)로 공공주택지구 지구계획 변경(3차)승인 고시된 의왕고천공공주택지구에 대하여 「공공주택 특별법」 제17조에 따라 지구계획 변경(4차)을 승인 고시하고, 「토지이용규제 기본법」 제8조에 따라 지형도면 등을 다음과 같이 고시합니다. 2023년 12월 00일 국 토 교 통 부 장 관 1. 지구계획 승인(변경) 가. 주택지구의 명칭·위치 및 면적(변경없음) 1) 명 칭 : 의왕고천 공공주택지구 2) 위 치 : 경기도 의왕시 고천동 일원 3) 면 적 : 542,849.9㎡ 나. 시행자의 명칭, 소재지 및 대표자의 성명(변경없음) 1) 명 칭 : 의왕시, 한국토지주택공사 2) 소재지 : 의왕시 - 경기도 의왕시 시청로 11(고천동) 한국토지주택공사 - 경상남도 진주시 충의로 19(충무공동) 3) 대표자 성명 : 의왕시 – 김성제, 한국토지주택공사 – 이한준 다. 지구계획의 개요(변경없음) 1) 수용될 인구 및 주택에 관한 계획(변경없음) 구 분 면 적(㎡) 수용세대(호) 수용인구(인) 비 고 계 190,151 4,620 10,440 단독 : 공동 = 1.4 : 98.6 단독주택 17,225 65 163 공동주택 172,926 4,555 10,277 행복주택(2,200호), 신혼희망(870호) 60㎡ 이하 90,809 3,070 6,564 60㎡∼85㎡ 82,117 1,485 3,713 2) 집단에너지의 공급에 관한 계획(변경없음) ㅇ 전력공급계획 : 한국전력공사 의왕변전소에서 공급 예정 ㅇ 도시가스공급계획 : (주)삼천리에서 공급 예정 ㅇ 열 공급계획 : GS파워(주)에서 공급 예정 3) 교통에 관한 계획(변경없음) : 게재생략 2 4) 대상토지의 단계별 조성에 관한 계획(변경없음) (단위 : 천㎡) 구 분 계 연 도 별 비고2016년 2017년 2018년 2019년 2020년 2021년 2022년 2023년 2024년 용지보상 기정 543 2 301 139 68 11 11 11 - - 변경 543 2 301 139 68 11 11 5 4 2 조성공사 기정 543 2 301 139 68 11 11 11 - - 변경 543 2 301 139 68 11 11 5 4 2 5) 연차별 자금투자 및 재원조달에 관한 계획(변경없음) ㅇ 연차별 자금투자계획 (단위 : 억원) 구 분 계 연 차 별 계 획 비고2016년 2017년 2018년 2019년 2020년 2021년 2022년 2023년 2024년 사 업 비 합계 5,728 47 2,702 849 996 440 400 102 100 92 의왕시 125 - 21 104 - - - - - - 한국토지주택공사 5,603 47 2,681 745 996 400 400 102 100 92 ㅇ 재원조달계획(변경없음) : 의왕시, 한국토지주택공사 자체자금 라. 사업시행기간(변경없음) ◦ 2015년 12월 31일(지구지정 고시일) ~ 2024년 06월 30일 3 마. 토지이용에 관한 계획(변경) 1) 총괄(변경) 구 분 면적(㎡) 구성비(%) 기정 변경 기정 변경 증감(㎡) 비 고 합 계 542,849.90 542,849.90 100.0 100.0 - 주택 건설 용지 소 계 195,664 195,664 36 36 - 단독주택 17,225 17,225 3.2 3.2 - 공동주택 172,926 172,926 31.9 31.9 - 근린생활시설 5,513 5,513 1.0 1.0 - 공공 시설 용지 소 계 347,185.90 347,185.90 64.0 64.0 - 도시 지원 시설 용지 소계 111,431 111,387 20.5 20.5 감)44 상업용지 14,772 14,772 2.7 2.7 - 업무시설 4,079 4,079 0.8 0.8 - 공 공 청 사 소 계 57,584 59,176 10.6 10.9 증)1,592 의왕시청 32,112 32,112 5.9 5.9 - ·존치시설 ·소공원1 중복결정 면적(1,195㎡) 제외 경찰서 14,227 14,183 2.6 2.6 감)44 ·존치시설 소방서 6,699 6,699 1.2 1.2 - ·존치시설 보건소 4,546 4,546 0.8 0.8 - ·존치시설 공공업무시설 - 1,636 - 0.3 증)1,636 ·신설 사회복지시설 4,405 4,405 0.8 0.8 - ·존치시설 청소년수련시설 4,388 4,388 0.8 0.8 - ·존치시설 문화시설 10,693 10,693 2.0 2.0 - ·계획 현황시설 종교시설 1,636 - 0.3 - 감)1,636 ·변경(공공업무시설) 자족시설 9,293 9,293 1.7 1.7 - 주차장 4,581 4,581 0.8 0.8 - ·문화공원내 중복결정(4,275㎡) 제외공원 · 녹지 소 계 132,957 131,934 24.5 24.3 감)1,023 공 원 소 계 88,405 86,827 16.3 16 감)1,578 근린공원 52,678 51,931 9.7 9.6 감)747 ·1개소 소공원 8,569 7,738 1.6 1.4 감)831 ·3개소 ·소공원1과 의왕시청(공공청사1) 중복결정 (1,195㎡) 수변공원 11,193 11,193 2.1 2.1 - ·1개소 (유수지1 중복결정(4,375㎡) 포함) 문화공원 15,965 15,965 2.9 2.9 - ·1개소 (주차장5 중복결정(4,275㎡) 포함) 녹 지 소 계 21,155 21,710 3.9 4.0 증)555 완충녹지 1,183 1,183 0.2 0.2 - ·1개소 경관녹지 15,047 15,602 2.8 2.9 증)555 ·17개소 연결녹지 4,925 4,925 0.9 0.9 - ·2개소 공공공지 616 616 0.1 0.1 - ·2개소 유수지 -4,375 -4,375 -0.8 -0.8 - ·1개소, 수변공원내 중복결정하천 22,781 22,781 4.2 4.2 - ·중복면적 제외 수도공급설비 - 594 - 0.1 증)594 ·1개소 ·광장2(108㎡) 중복결정 포함광장 - 153 - 0.0 증)153 ·중복면적 제외 (수도공급시설:108㎡,하천:184㎡) 교육 시설 소 계 13,091 13,091 2.4 2.4 - 초등학교 11,540 11,540 2.1 2.1 - ·1개소 유치원 1,551 1,551 0.3 0.3 - ·1개소 도로 소 계 89,706.90 90,026.90 16.5 16.6 증)320 도로 89,297.90 89,617.90 16.4 16.5 증)320 ·가감속차선, 가각전제 등 포함보행자도로 320 320 0.1 0.1 - 현황도로 89 89 0.0 0.0 - ·월드비전 진입도로 4 2) 주택건설용지에 관한 계획(변경없음) : 게재생략 3) 상업·업무시설용지 계획(변경없음) : 게재생략 4) 자족시설용지 계획(변경없음) : 게재생략 5) 공공시설용지에 관한 계획(변경) ㅇ 도로 계획(변경) - 지구 내 류별 합계 1류 2류 3류 노선 수 연장 (m) 면적 (㎡) 노선 수 연장 (m) 면적 (㎡) 노선 수 연장 (m) 면적 (㎡) 노선 수 연장 (m) 면적(㎡) 합계 기정 34 5,131 89,706.9 11 2,430 38,240 9 1,413 29,622 14 1,288 14,784 변경 35 5,200 90,026.9 11 2,430 38,240 9 1,413 29,666 15 1,357 15,060 일반도로 대로 1 755 22,650 - - - 1 755 22,650 - - - 중 로 기정 13 2,814 45,652 4 1,394 27,880 2 244 3,660 7 1,176 14,112 변경 13 2,814 45,696 4 1,394 27,880 2 244 3,704 7 1,176 14,112 소 로 기정 17 1,509 14,024 7 1,036 10,360 6 414 3,312 4 59 352 변경 18 1,578 14,300 7 1,036 10,360 6 414 3,312 5 128 628 특수도로 (보행자 전용도로) 소로 3 53 320 - - - - - - 3 53 320 기타 - - 7,060.9 가감속 차선, 가각전제, 현황도로(월드비전 진입도로) 등- 지구 밖 시설의 준용 류별 합계 1류 2류 3류 노선 수 연장 (m) 면적 (㎡) 노선 수 연장 (m) 면적 (㎡) 노선 수 연장 (m) 면적 (㎡) 노선 수 연장 (m) 면적(㎡) 합계 1 43 691 - - - 1 43 691 - - - 일반도로 중로 1 43 691 - - - 1 43 691 - - - ․ 중로2-13호선 : B=15∼17.7m, L=173m ┌ 지구 내 : B=15∼17.7m, L=130m └ 지구 밖 : B=15m, L=43m ㅇ 주차장 계획(변경) 구 분 도면표시 번호 위 치 면 적(㎡) 비 고 계 - - 4,581 문화공원내 중복결정4,275㎡ 미포함 주차장 1 고천동 114-1 일원 2,208 2 고천동 106 일원 974 3 고천동 56-3 일원 928 4 고천동 74 일원 471 5 고천동 100-6 기정 6,000 문화공원내 중복결정변경 4,275 5 ㅇ 공원 계획(변경) 구 분 도면표시 번호 위 치 면 적(㎡) 비고 계 - - 기정 88,405 - 변경 86,827 근린공원 소계 - 기정 52,678 변경 51,931 1 고천동 산48 일원 기정 52,678 고천동 산48 일원 변경 51,931 소공원 소계 - 기정 8,569 - 변경 7,738 1 고천동 171-6 일원 2,489 공공청사1 중복결정(1,195㎡) 포함2 고천동 171-10 일원 3,664 3 고천동 193-4 일원 기정 2,416 변경 1,585 주제공원 소계 - 27,158 수변 공원 1 고천동 252 일원 11,193 문화 공원 1 고천동 100-2 일원 15,965 기정 주차장5 중복결정(6,000㎡) 포함변경 주차장5 중복결정(4,275㎡) 포함ㅇ 녹지 계획(변경) 구 분 도면표시 번호 위 치 면 적(㎡) 비고 계 - - 기정 21,155 - 변경 21,710 완충녹지 - - 1,183 6 고천동 85-2 일원 1,183 경관녹지 - - 기정 15,047 - 변경 15,602 1 고천동 175-4 일원 기정 2,109 고천동 175-4 일원 변경 2,664 2 고천동 325-1 일원 5,672 3 고천동 53-5 일원 1,193 4 고천동 118-5 일원 667 5 고천동 122-1 일원 200 6 고천동 127-2 일원 54 7 고천동 150-3 일원 227 8 고천동 115 일원 462 9 고천동 162-2 일원 724 10 고천동 90-7 일원 278 11 고천동 176-11 일원 901 12 고천동 79-1 일원 275 13 고천동 100-6 일원 620 14 고천동 90-6 일원 110 15 고천동 90-6 일원 118 16 고천동 165-2 일원 884 17 고천동 207-4 일원 553 연결녹지 - - 4,925 1 고천동 247-1 일원 1,771 3 고천동 61-14 일원 3,154 6 ㅇ 공공공지 계획(변경없음) : 게재생략 ㅇ 하천 계획(변경없음) : 게재생략 ㅇ 유수지 계획(변경없음) : 게재생략 ㅇ 공공청사 계획(변경) 구 분 도면표시 번호 위 치 면 적(㎡) 비고 계 - - 기정 57,584 (58,779) - 변경 59,176 (60,371) 공공청사 1 고천동 171 일원 32,112 (33,307) •의왕시청 소공원1 중복결정(1,195㎡) 2 고천동 231-1 일원 기정 14,227 •경찰서 변경 14,183 3 고천동 78-3 일원 6,699 •의왕소방서 4 고천동 108 일원 4,546 •의왕시 보건소 5 - 기정 - 고천동 90-5 일원 변경 1,636 •공공업무시설(신설) ㅇ 문화시설 계획(변경없음) : 게재생략 ㅇ 사회복지시설 계획(변경없음) : 게재생략 ㅇ 청소년수련시설 계획(변경없음) : 게재생략 ㅇ 교육시설 계획(변경없음) : 게재생략 ㅇ 종교시설 계획(변경) 구 분 도면표시 번호 위 치 면 적(㎡) 비 고 계 - 1개소 기정 1,636 종교시설 1개소 변경 1,636 공공업무시설 종교시설 1 고천동 90-7 일원 기정 1,636 종교시설 - - 변경 - - ㅇ 수도공급설비 계획(신설) 구 분 도면표시 번호 위 치 면 적(㎡) 비 고 계 - - 594 - 수도공급설비 1 고천동 48-13 일원 594 ․신설광장2(108㎡) 중복결정포함 ㅇ 광장 계획(변경) 구 분 도면표시 번호 위 치 면 적(㎡) 비 고 계 - - 153 (152,507) - 광장 1 왕곡동 460-12일원 기정 - (152,062) - 왕곡동 460-12일원 변경 153 (152,507) ․중복면적 제외 (수도공급시설:108㎡,하천:184㎡) 7 바. 환경보전 및 탄소저감 등 환경계획(변경없음) : 게재생략 사. 조성된 토지의 공급에 관한 계획(변경) -기정- 공급용도구분 공급면적 (㎡) 필지수 공급대상자 공급방법 공급가격 결정방법 공급시기 비 고 주택 건설 용지 단독주택 17,225 65 이주대책대상자 수의계약 조성원가이하 승인후 협의양도인택지 수의계약 감정가격 기타 실수요자 주거 전용 추첨 감정가격 점포 겸용 경쟁입찰 ․ 주거부문:감정가격 ․ 비주거부문:낙찰가격 공 동 주 택 60㎡미만 52,038 1 행복 주택 자체사용 - 조성원가 60% 38,771 1 승인후 신혼 희망 자체사용 - 행복주택 : 조성원가 60% 공공분양 : 감정가격 60~85㎡ 미만 82,117 2 분양 자체사용 - 감정가격 기타 실수요자 추첨 감정가격 근린생활시설용지 5,513 9 생활대책 수의계약 감정가격 기타 실수요자 경쟁입찰 낙찰가격 승인후 보상금예치자 제한경쟁 낙찰가격 상업 업무 용지 상업시설 14,772 12 생활대책 수의계약 감정가격 기타 실수요자 경쟁입찰 낙찰가격 승인후 보상금예치자 제한경쟁 낙찰가격 업무시설 4,079 3 국가·지자체 수의계약 조성원가 승인후 기타 실수요자 경쟁입찰 낙찰가격 승인후 자족시설용지 9,293 6 국가・지자체 수의계약 조성원가 승인후 중소기업진흥공단 (중소기업협동조합법에 의한 중소기업중앙회가 국가 또는 지자체로부터 재정지원을 받아 관련시설을 설치하는 경우를 포함한다) 수의계약 조성원가 (단, 상업용지 및 근린생활시설용지는 감정가격) 협의양도자 수의계약 기존면적:조성원가80% 추가면적:감정가격 기타 실수요자 (관할 지자체장의 추천) 수의계약 감정가격 기타 실수요자 추첨 감정가격 공공 시설 용지 유치원 1,551 1 국가․지자체 수의계약 조성원가 승인후 기타실수요자 추첨 감정가격 종교시설 1,636 1 협의양도자 (종교법인 소유토지) 수의계약 기존면적의 120%:조성원가 추가면적:감정가격 승인후 기타 실수요자 추첨 감정가격 공공 시설 용지 주차장 4,581 5 국가․지자체 수의계약 조성원가 승인후 기타실수요자 경쟁입찰 낙찰가격 공공청사 57,584 4 국가, 지자체 수의계약 조성원가 승인후 의왕시청 등 4개소 존치 사회복지시설 4,405 1 국가, 지자체 수의계약 조성원가 승인후 존치 사회복지법인 (다만, 사회복지사업법에 의한 사회복지시설중 수용보호시설(유료시설제외)을 설치하고자 하는 사회복지법인으로 관할 지방자치단체장의 추천을 받은 경우에 한함) 수의계약 조성원가 기타 실수요자 (관할 지자체장의 추천) 수의계약 감정가격 청소년수련시설 4,388 1 국가, 지자체 수의계약 조성원가 승인후 존치 기타 실수요자 추첨 감정가격 문화시설 10,693 1 국가․지자체 수의계약 조성원가 승인후 기타 실수요자 추첨 감정가격 주) 1. 공급가격은 상한가격기준이며 지역여건에 따라 기준가격이하로 공급가능 2. 공공시설용지와 기타 공공시설용지는 당해 공공시설의 관리주체 및 영리성에 의하여 구분하여 결정 8 -변경- 공급용도구분 공급면적 (㎡) 필지수 공급대상자 공급방법 공급가격 결정방법 공급시 기 비 고 주택 건설 용지 단독주택 17,225 65 이주대책대상자 수의계약 조성원가이하 승인후 협의양도인택지 수의계약 감정가격 기타 실수요자 주거 전용 추첨 감정가격 점포 겸용 경쟁입찰 ․주거부문:감정가격 ․비주거부문:낙찰가격 공 동 주 택 60㎡미만 52,038 1 행복 주택 자체사용 - 조성원가 60% 38,771 1 승인후 신혼 희망 자체사용 - 행복주택 :조성원가 60% 공공분양 : 감정가격 60~85㎡ 미만 82,117 2 분양 자체사용 - 감정가격 기타 실수요자 추첨 감정가격 근린생활시설용 지 5,513 9 생활대책 수의계약 감정가격 기타 실수요자 경쟁입찰 낙찰가격 승인후 보상금예치자 제한경쟁 낙찰가격 상업 업무 용지 상업시설 14,772 12 생활대책 수의계약 감정가격 기타 실수요자 경쟁입찰 낙찰가격 승인후 보상금예치자 제한경쟁 낙찰가격 업무시설 4,079 3 국가·지자체 수의계약 조성원가 승인후 기타 실수요자 경쟁입찰 낙찰가격 승인후 자족시설용지 9,293 6 국가・지자체 수의계약 조성원가 승인후 중소기업진흥공단 (중소기업협동조합법에 의한 중소기업중앙회가 국가 또는 지자체로부터 재정지원을 받아 관련시설을 설치하는 경우를 포함한다) 수의계약 조성원가 (단, 상업용지 및 근린생활시설용지는 감정가격) 협의양도자 수의계약 기존면적:조성원가80% 추가면적:감정가격 기타 실수요자 (관할 지자체장의 추천) 수의계약 감정가격 기타 실수요자 추첨 감정가격 공공 시설 용지 유치원 1,551 1 국가․지자체 수의계약 조성원가 승인후 기타실수요자 추첨 감정가격 공공 시설 용지 주차장 4,581 5 국가․지자체 수의계약 조성원가 승인후 기타실수요자 경쟁입찰 낙찰가격 공공청사1) 59,176 5 국가, 지자체 수의계약 조성원가 승인후 의왕시청 등4개소 존치사회복지시설 4,405 1 국가, 지자체 수의계약 조성원가 승인후 존치 사회복지법인 (다만, 사회복지사업법에 의한 사회복지시설중 수용보호시설(유료시설제외) 을 설치하고자 하는 사회복지법인으로 관할 지방자치단체장의 추천을 받은 경우에 한함) 수의계약 조성원가 기타 실수요자 (관할 지자체장의 추천) 수의계약 감정가격 청소년수련시설 4,388 1 국가, 지자체 수의계약 조성원가 승인후 존치 기타 실수요자 추첨 감정가격 문화시설 10,693 1 국가․지자체 수의계약 조성원가 승인후 기타 실수요자 추첨 감정가격 주) 1. 공급가격은 상한가격기준이며 지역여건에 따라 기준가격이하로 공급가능 2. 공공시설용지와 기타 공공시설용지는 당해 공공시설의 관리주체 및 영리성에 의하여 구분하여 결정 9 아. 수용하거나 사용할 토지 등의 소재지, 지번, 지목, 면적, 소유권 외의 권리명세와 그 소유자및권리자의 성명, 주소를 기재한 서류(변경없음) : 게재생략 자. 도시관리계획 결정(변경)에 관한 사항(변경) : [붙임 1] (도면생략) 차. 지구단위계획에 관한 사항(변경) 1) 의왕고천 공공주택지구 지구단위계획에 관한 사항(변경) ①가구 및 획지의 규모와 조성에 관한 도시관리계획 결정(변경)조서(변경) ㅇ공공시설용지(변경) -기정- 블럭명 가구번호 면적(㎡) 획 지 비고 위 치 면적(㎡) 총계 - 77,070 - 77,070 - 공청1 - 32,112 - 32,112 - 획지의 분할 불가(의왕시청) 공청2 - 14,227 - 14,227 - 획지의 분할 불가(경찰서) 공청3 - 6,699 - 6,699 - 획지의 분할 불가(의왕소방서) 공청4 - 4,546 - 4,546 - 획지의 분할 불가(의왕보건소) 사회복지 시설 - 4,405 - 4,405 - 획지의 분할 불가(사회복지시설) 청소년 수련시설 - 4,388 - 4,388 - 획지의 분할 불가(청소년수련시설) 문화시설 - 10,693 - 10,693 - 획지의 분할 불가(문화시설) -변경- 블럭명 가구번호 면적 (㎡) 획 지 비고 위 치 면적(㎡) 총계 - 78,706 - 78,706 - 공청1 - 32,112 - 32,112 - 획지의 분할 불가(의왕시청) 공청2 - 14,227 - 14,183 - 획지의 분할 불가(경찰서) 공청3 - 6,699 - 6,699 - 획지의 분할 불가(의왕소방서) 공청4 - 4,546 - 4,546 - 획지의 분할 불가(의왕보건소) 공청5 - 1,636 - 1,636 - 획지의 분할 불가(공공업무시설) 사회복지 시설 - 4,405 - 4,405 - 획지의 분할 불가(사회복지시설) 청소년 수련시설 - 4,388 - 4,388 - 획지의 분할 불가(청소년수련시설) 문화시설 - 10,693 - 10,693 - 획지의 분할 불가(문화시설) ㅇ종교시설용지(변경) -기정- 블럭명 가구번호 면적(㎡) 획지 비고 위 치 면적(㎡) 총계 - 1,636 - 1,636 - 종1 - 1,636 - 1,636 - 획지의 분할 불가 -변경- 블럭명 가구번호 면적(㎡) 획지 비고 위 치 면적(㎡) - - - - - - - - - - - - 10 ②건축물의 용도 및 건폐율 ․ 용적률 ․ 높이 ․ 배치 ․ 형태 ․ 색채 ․ 건축선에 관한 도시관리계획 결정(변경) 조서 ㅇ종교시설(제2종일반주거지역)→공공청사(제2종일반주거지역) - 변경 -기정- 위 치 (가구번호) 구 분 계 획 내 용 종1 용도 허용 용도 ∙ 건축법시행령 별표1 제6호 종교시설 중 종교집회장(납골당 제외) 및 그부속용도(목회자숙소, 주차시설 등) ※ 부속용도라 함은 건축법시행령 제2조 13호의 규정에 의해 건축물의주된 용도의 기능에 필수적인 용도이어야 함 불허 용도 ∙ 허용용도 이외의 용도 건폐율 ∙ 60% 이하 용적률 ∙ 180% 이하 높이 ∙ 4층 이하 (종탑의 높이를 포함하여 지표면에서 24m를 넘을 수 없다. 단, 건축심의 및 인허가권자가 인정하는 경우 30m까지 가능) 배치 - 형태 ∙ 건축물에 부착되는 간판 및 십자가는 간접조명방식으로 설치 색채 - 건축선 ∙ 건축한계선(‘건축물 등에 관한 도시관리계획 결정(변경)도’참조) - 부지내 건축한계선이 지정된 대지는 건축물의 지상부분이 전면도로의 경계선으로부터 ‘건축물 등에 관한 도시관리계획 결정(변경)도’상에 표기된 폭이상으로 후퇴하여 건축하여야 한다. -변경- 위 치 (가구번호) 구 분 계 획 내 용 청5 용도 허용 용도 ∙ 건축법시행령 별표1 제14호 업무시설 중 공공업무시설 및 그 부대시설※ 부대시설이라 함은 건축법시행령 제2조 13호의 규정에 의해 건축물의주된 용도의 기능에 필수적인 용도이어야 함 불허용도 ∙ 허용용도 이외의 용도 건폐율 ∙ 60% 이하 용적률 ∙ 200% 이하 높이 ∙ 5층 이하 배치 - 형태 ∙ 담장 설치는 가급적 제한하고 부득이한 경우 생울타리 등 높이 1.2m 이하의 자연소재담장을 설치하도록 한다. ∙ 옥상조경 권장 색채 ∙ 지구전체의 조화를 위하여 시설별로 유사한 재료 및 색채를 사용하여통일감 있게 계획한다. 건축선 ∙ 건축한계선(‘건축물 등에 관한 도시관리계획 결정(변경)도’참조) - 부지내 건축한계선이 지정된 대지는 건축물의 지상부분이 전면도로의 경계선으로부터 ‘건축물 등에 관한 도시관리계획 결정(변경)도’상에 표기된폭이상으로 후퇴하여 건축하여야 한다. 11 ㅇ공공청사(제2종일반주거지역, 준주거지역, 일반상업지역) - 변경 -기정- 위 치 (가구번호) 구 분 계 획 내 용 청1~4 용도 도면 표시 ∙ 청1 : 의왕시청 ∙ 청2 : 의왕경찰서 ∙ 청3 : 의왕소방서 ∙ 청4 : 의왕보건소허용용도 ∙건축법시행령 별 표 1 제14호 업 무시설 중 공공 업무시설 및 그 부대시설 ∙건축법 시행령 별 표1 제11호 노유자 시설 중 가목 어린 이집 ∙건축법시행령 별 표 1 제3호 제1 종근린 생활시 설 중 나목 ( 게음식점 등)주1) ※ 주1) 제1·2종 근린생 활시설의 규모는 지 상층 연면적의 10% 이내로 한다. ∙ 건축법시행령 별표1 제14호 업무시 설 중 공공업무시설 및 그 부대시설 ∙건축법시행령별표 1 제14호업무시설 중 공공업무시설 및그 부대시설 ∙건축법시행령별표 1 제3호제1 종근린 생활시설 중 나목 ( 게음식점 등)주1) ※ 주1) 제1·2종근린생활시설의규모는 지상층연면적의 10% 이내로한다. 불허용도 ∙ 허용용도 이외의 용도 건폐율 ∙ 60% 이하 용적률 ∙ 200% 이하 높이 ∙ 청1(의왕시청), 청3(의왕소방서), 청4(의왕보건소) : 5층 이하 ∙ 청2(의왕경찰서) : 7층 이하 배치 - 형태 ∙ 담장 설치는 가급적 제한하고 부득이한 경우 생울타리 등 높이 1.2m 이하의 자연소재담장을 설치하도록 한다. ∙ 옥상조경 권장 색채 ∙ 지구전체의 조화를 위하여 시설별로 유사한 재료 및 색채를 사용하여통일감 있게 계획한다. 건축선 ∙ 건축한계선(‘건축물 등에 관한 도시관리계획 결정(변경)도’참조) - 부지내 건축한계선이 지정된 대지는 건축물의 지상부분이 전면도로의 경계선으로부터 ‘건축물 등에 관한 도시관리계획 결정(변경)도’상에 표기된 폭이상으로 후퇴하여 건축하여야 한다. ※ 기존 존치시설 현황 - 청1 (의왕시청 : 건폐율(11.29%), 용적률(31.52%), 층수(3층)) - 청2 (의왕경찰서 : 건폐율(20.53%), 용적률(72.47%), 층수(7층)) - 청3 (의왕소방서 : 건폐율(25.86%), 용적률(58.38%), 층수(3층)) - 청4 (의왕 보건소 : 건폐율(50.48%), 용적률(93.08%), 층수(3층)) 12 -변경- 위 치 (가구번호) 구 분 계 획 내 용 청1~5 용도 도면표시 ∙ 청1 : 의왕시청 ∙ 청2 : 의왕경찰서 ∙ 청3:의왕 소방서 ∙청4:의왕보건소 ∙청5:공공업무시설허용용도 ∙건축법시행령 별 표 1 제14호 업 무시설 중 공공 업무시설 및 그 부대시설 ∙건축법 시행령 별 표1 제11호 노유자 시설 중 가목 어린 이집 ∙건축법시행령 별 표 1 제3호 제1 종근린 생활시 설 중 나목 ( 게음식점 등)주1) ※ 주1) 제1·2종 근린생 활시설의 규모는 지 상층 연면적의 10% 이내로 한다. ∙건축법시행령 별표 1 제14 호 업무시설 중 공공업무시설 및 그 부대시 설 ∙건축법시행령 별표 1 제3호 제1종근린 생 활시설 중 나목 ( 휴 게 음 식 점 등)주1) ※ 주 제1·2 종근린생활시설 의 규모는 지상 층연면적의 10% 이내로 한다. ∙ 건 축 법 시행령 별 표1 제14 호 업무시 설 중 공 공 업 무 시 설 및 그 부대시설 ∙건축법시행령 별표 1 제14 호 업무시설 중 공공업무시 설 및 그 부대시설 ∙건축법시행령 별표 1 제3 호 제1종근린 생활시설 중 나목 ( 게음 식점 등)주1) ※ 주1) 제1·2 종근린생활시설 의 규모는 지상 층연면적의 10% 이내로 한다. ∙건축법시행령 별표 1 제14호 업무시설 중공공업무시설및 그부대시설 불허용도 ∙ 허용용도 이외의 용도 건폐율 ∙ 60% 이하 용적률 ∙ 200% 이하 높이 ∙ 청1(의왕시청), 청3(의왕소방서), 청4(의왕보건소),청5(공공업무시설) : 5층이하 ∙ 청2(의왕경찰서) : 7층 이하 배치 - 형태 ∙ 담장 설치는 가급적 제한하고 부득이한 경우 생울타리 등 높이 1.2m 이하의 자연소재담장을 설치하도록 한다. ∙ 옥상조경 권장 색채 ∙ 지구전체의 조화를 위하여 시설별로 유사한 재료 및 색채를 사용하여통일감 있게 계획한다. 건축선 ∙ 건축한계선(‘건축물 등에 관한 도시관리계획 결정(변경)도’참조) - 부지내 건축한계선이 지정된 대지는 건축물의 지상부분이 전면도로의 경계선으로부터 ‘건축물 등에 관한 도시관리계획 결정(변경)도’상에 표기된 폭이상으로 후퇴하여 건축하여야 한다. ※ 기존 존치시설 현황 - 청1 (의왕시청 : 건폐율(11.29%), 용적률(31.52%), 층수(3층)) - 청2 (의왕경찰서 : 건폐율(20.53%), 용적률(72.47%), 층수(7층)) - 청3 (의왕소방서 : 건폐율(25.86%), 용적률(58.38%), 층수(3층)) - 청4 (의왕 보건소 : 건폐율(50.48%), 용적률(93.08%), 층수(3층)) 13 2) 지구단위계획 시행지침(변경) ㅇ제56조(공공 ․ 편익시설, 교육시설 및 기타시설별 지침에 관한 사항) 위 치 (가구번 호) 구 분 계 획 내 용 청1∼4 용도 도면 표시 ∙청1 : 의왕시청 ∙청2:의왕경 찰서 ∙청3:의왕소 방서 ∙청4 : 의왕보건소허용용도 ∙건축법시행령 별표1 제14호 업무시설 중 공공업무시설 및 그 부대시설 ∙건축법 시행령 별표1 11호 노유자시설 중 가목 어린이집 ∙건축법시행령 별표1 제3호 제1종근린생활시설 중 나목( 게음식점 등)주1) ※ 제1종근린생활시설의 규모는 지상층연면적의 10% 이내로 한다. ∙건축법시행령 별표1 14호 업무시설 중 공공업무시설 및 그 부대시설 ∙건축법시행령별표1 제14호업무시설 중 공공업무시설 및그부대시설 ∙건축법시행령별표1 제3호 제1종근린생활시설중 나목( 게음식점등)주1) ※ 제1종근린생활시설의규모는 지상층연면적의 10%이내로 한다. 불허용도 ∙허용용도 이외의 용도 건폐율 ∙60% 이하 용적률 ∙200% 이하 높이 ∙5층 이하 ∙7층 이하 ∙5층 이하 ∙5층 이하 <표 2-6-2> 공공청사용지 건축물 용도, 건폐율, 용적률, 높이(변경) -기정위 치 (가구번 호) 구 분 계 획 내 용 청1∼5 용도 도면 표시 ∙청1 : 의왕시청 ∙청2:의왕경찰 서 ∙청3:의왕 소방서 ∙청4 : 의왕보건소 ∙청5 : 공공업무시설허용용도 ∙건축법시행령 별표1 제14호 업무시설 중 공공업무시설 및 그 부대시설 ∙건축법 시행령 별표1 제11호 노유자시설 중 가목 어린이집 ∙건축법시행령 별표1 제3호 제1종근린생활시 설 중 나목( 게음식점 등)주1) ※ 제1종근린생활시 설의 규모는 지상층연면적의 10% 이내로 한다. ∙건축법시행령 별표1 제14호 업무시설 중 공공업무시설 및 그 부대시설 ∙건축법시행령 별표1 제3호 제1종근린생활 시설 중 나목( 게음식점 등)주1) ※ 제1종근린생활 시설의 규모는 지상층연면적의 10% 이내로 한다. ∙건축법시 행령 별표1 제14호 업무시설 중 공공업무시 설 및 그 부대시설 ∙건축법시행령 별표1 제14호 업무시설 중 공공업무시설 및 그 부대시설 ∙건축법시행령 별표1 제3호 제1종근린생활시 설 중 나목( 게음식점 등)주1) ※ 제1종근린생활시 설의 규모는 지상층연면적의 10% 이내로 한다. ∙ 건축법시행령별표 1 제14호업무시설중 공공업무시설및 그부대시설불허용도 ∙허용용도 이외의 용도 건폐율 ∙60% 이하 용적률 ∙200% 이하 높이 ∙5층 이하 ∙7층 이하 ∙5층 이하 ∙5층 이하 -변경- 14 위 치 (가구번호) 구 분 계 획 내 용 종1 용도 허용 용도 ∙ 건축법시행령 별표1 제6호 종교시설 중 종교집회장(납골당 제외) 및 그부속용도(목회자숙소, 주차시설 등) ※ 부속용도라 함은 건축법시행령 제2조 13호의 규정에 의해 건축물의 주된용도의 기능에 필수적인 용도이어야 함 불허 용도 ∙허용용도 이외의 용도 건폐율 ∙60% 이하 용적률 ∙180% 이하 높이 ∙4층 이하 (종탑의 높이를 포함하여 지표면에서 24m를 넘을 수 없다. 단, 건축심의 및 인허가권자가 인정하는 경우 30m까지 가능) <표 2-6-5> 종교시설용지의 건축물 용도, 건폐율, 용적률, 높이 -기정- -변경- 위 치 (가구번호) 구 분 계 획 내 용 청5 용도 허용용도 ∙ 건축법시행령 별표1 제14호 업무시설 중 공공업무시설 및 그 부대시설※ 부대시설이라 함은 건축법시행령 제2조 13호의 규정에 의해 건축물의주된 용도의 기능에 필수적인 용도이어야 함 불허 용도 ∙ 허용용도 이외의 용도 건폐율 ∙ 60% 이하 용적률 ∙ 200% 이하 높이 ∙ 5층 이하 15 카. 개발제한구역의 도시관리계획 결정(변경없음) : 게재생략 타. 공공시설 등의 명세서 및 처분계획서(변경) : [붙임 2] 파. 관계서류의 열람방법 - 관계서류는 의왕시 도시개발과(전화 : 031-345-2814), 한국토지주택공사 의왕과천사업본부단지사업2부(전화 : 02-6177-4566)에 비치하여 일반인에게 보이고 있으며, 지형도면 등은 국토이용정보체계(토지이음, https://www.eum.go.kr)에서 열람이 가능함 16 [붙임1] 의왕고천 공공주택지구 도시관리계획 결정(변경)에 관한 사항(변경) 1. 용도지역 결정(변경) 조서(변경없음) : 게재생략 2. 용도구역 결정(변경) 조서(변경없음) : 게재생략 3. 도시계획시설결정(변경) 조서(변경) 가. 교통시설(변경) 1) 도로(변경) ㅇ 도로총괄표 (지구 내) 류별 합계 1류 2류 3류 노선 수 연장 (m) 면적 (㎡) 노선 수 연장 (m) 면적 (㎡) 노선 수 연장 (m) 면적 (㎡) 노선 수 연장 (m) 면적(㎡) 합계 기정 34 5,131 89,706.9 11 2,430 38,240 9 1,413 29,622 14 1,288 14,784 변경 35 5,200 90,026.9 11 2,430 38,240 9 1,413 29,666 15 1,357 15,060 일반도로 대로 1 755 22,650 - - - 1 755 22,650 - - - 중로 기정 13 2,814 45,652 4 1,394 27,880 2 244 3,660 7 1,176 14,112 변경 13 2,814 45,696 4 1,394 27,880 2 244 3,704 7 1,176 14,112 소로 기정 17 1,509 14,024 7 1,036 10,360 6 414 3,312 4 59 352 변경 18 1,578 14,300 7 1,036 10,360 6 414 3,312 5 128 628 특수도로 (보행자 전용도로) 소로 3 53 320 - - - - - - 3 53 320 기타 - - 7,060.9 가감속 차선, 가각전제, 현황도로(월드비전 진입도로) 등 (지구 외) 류별 합계 1류 2류 3류 노선 수 연장 (m) 면적 (㎡) 노선 수 연장 (m) 면적 (㎡) 노선 수 연장 (m) 면적 (㎡) 노선 수 연장 (m) 면적(㎡) 합계 1 43 691 - - - 1 43 691 - - - 일반도로 중로 1 43 691 - - - 1 43 691 - - - ※ 중로2-13호선의 지구 밖 연장 및 면적임 17 ㅇ 도로 결정(변경)조서 구분 규모 기능 연장(m) 기점 종점 사용형태 주요 경과지 최초 결정일 비고등급 류 별 번호 폭원(m) 기정 대로 2 1 30~39 보조 간선도로 3,676 (755) 광2-1 삼동 471-134 일반도로 기정 중로 1 1 20~28 집산도로 1,170 (599) 대1-2 대2-1 일반도로 기정 중로 1 9 20 국지도로 256 중1-1 중3-20 일반도로 기정 중로 1 10 20 집산도로 373 대2-1 중1-1 일반도로 기정 중로 1 11 20 집산도로 166 대2-1 고천동 71-1 일원 일반도로 국토부제2016-926호 (2016.12.28) 기정 중로 2 12 15 국지도로 114 중1-11 소1-77 일반도로 국토부제2016-926호 (2016.12.28) 기정 중로 2 13 15 집산도로 173 (130) 광2-1 중1-10 일반도로 경기도제435호 (1995.06.05.) 변경 중로 2 13 15~17.7 집산도로 173 (130) 광2-1 중1-10 일반도로 경기도제435호 (1995.06.05.) 기정 중로 3 1 12 집산도로 523 대2-1 대2-1 일반도로 기정 중로 3 15 12 국지도로 162 대2-1 중1-10 일반도로 국토부제2016-926호 (2016.12.28) 기정 중로 3 16 12 국지도로 136 중1-1 중3-15 일반도로 기정 중로 3 17 12 국지도로 83 중1-15 중3-15 일반도로 국토부제2016-926호 (2016.12.28) 기정 중로 3 18 12 국지도로 143 중1-11 중3-1 일반도로 국토부제2016-926호 (2016.12.28) 기정 중로 3 19 12 국지도로 24 광2-1 소1-77 일반도로 기정 중로 3 20 12 국지도로 105 중1-9 소2-129 일반도로 국토부제2016-926호 (2016.12.28) 기정 소로 1 72 10 국지도로 263 중3-16 중3-16 일반도로 국토부제2016-926호 (2016.12.28) 기정 소로 1 73 10 국지도로 40 중3-18 소3-16 일반도로 국토부제2016-926호 (2016.12.28) 기정 소로 1 74 10 국지도로 48 중3-18 소2-14 일반도로 기정 소로 1 75 10 국지도로 48 중3-18 소3-17 일반도로 국토부제2016-926호 (2016.12.28) 기정 소로 1 76 10 국지도로 48 중3-18 소3-14 일반도로 국토부제2016-926호 (2016.12.28) 기정 소로 1 77 10 국지도로 367 대2-1 고천동 61-6 일원 일반도로 기정 소로 1 78 10 국지도로 222 중1-1 대2-1 일반도로 기정 소로 2 11 8 국지도로 62 소1-72 소2-12 일반도로 국토부제2016-926호 (2016.12.28) 기정 소로 2 12 8 국지도로 78 소1-72 소1-72 일반도로 국토부제2016-926호 (2016.12.28) 기정 소로 2 13 8 국지도로 71 소1-3 소1-75 일반도로 국토부제2016-926호 (2016.12.28) 기정 소로 2 14 8 국지도로 129 소1-74 소1-76 일반도로 국토부제2016-926호 (2016.12.28) 기정 소로 2 129 8 국지도로 67 중3-20 고천동 439-118 일원 일반도로 의왕시제33호 (2003.10.27.) 기정 소로 2 15 9.2 국지도로 7 중3-1 소로2-183 일반도로 기정 소로 3 19 6 국지도로 6 중3-1 고천동 122 일원 일반도로 국토부제2016-926호 (2016.12.28) 기정 소로 3 20 6 국지도로 3 대2-1 고천동 127-1 일원 일반도로 국토부제2016-926호 (2016.12.28) 기정 소로 3 21 6 특수도로 20 중1-10 소1-72 보행자 도로 국토부제2016-926호 (2016.12.28) 기정 소로 3 22 6 특수도로 20 중3-15 소1-72 보행자 도로 국토부제2016-926호 (2016.12.28) 기정 소로 3 24 6 특수도로 13 대2-1 소3-16 보행자 도로 국토부제2021-1272호 (2021.11.25.) 기정 소로 3 278 4 국지도로 34 중3-20 고천동 산15-2 일반도로 국토부제2021-1272호 (2021.11.25.) 신설 소로 3 25 4 국지도로 69 소2-12 9 고천동 193-3 보행자 우선도로 18 (지구 외) 구분 규모 기능 연장(m) 기점 종점 사용형태 주요 경과 지 최초 결정일 비고등급 류별 번호 폭원 (m) 기정 중로 2 13 15 집산도로 173 (43) 광2-1 중1-10 일반도로 경기도제435호 (1995.06.05.) ㅇ 도로 결정(변경)사유서 변경전 도로명 변경후 도로명 변경내용 변경사유 - 중로2-13 ․ 일부구간 폭원확장 (15m→17.7m, 증44㎡) ․ 차량의 안전주행 및 시야확보 향상을위한 곡선부 선형조정 - 소로3-25 ․ 도로신설 -폭원 : 4m -연장 : 69m ․ 토지이용계획 변경에 따른 도로 신설(지구밖 미편입토지 통행로 확보) 2) 주차장(변경) ㅇ주차장 결정(변경)조서 구분 도면표시번호 시설명 위치 면적(㎡) 최초 결정일 비고합 계 - 8,856 문화공원내중복결정포함기정 78 주차장 고천동 114-1 일원 2,208 국토부제2016-926호 (2016.12.28) 기정 79 주차장 고천동 106 일원 974 국토부제2016-926호 (2016.12.28) 기정 80 주차장 고천동 56-3 일원 928 국토부제2016-926호 (2016.12.28) 기정 81 주차장 고천동 74 일원 471 국토부제2016-926호 (2016.12.28) 기정 90 주차장 고천동 100-6 일원 6,000 문화공원내중복결정변경 90 주차장 고천동 100-6 일원 4,275 문화공원내중복결정ㅇ주차장 결정(변경)사유서 도면표 시번호 시 설 명 변경내용 변경사유 90 주차장 ․ 면적조정 및 선형변경 ․ 의왕시 주차장 실시설계를 반영한면적조정 및 선형변경 19 나. 공간시설(변경) 1) 광장(변경) ㅇ광장 결정(변경)조서 구분 도면표시번호 시설명 시설의 종류 위치 면적(㎡) 최초 결정일 비고 기정 변경 변경후 계 - - - - 152,062 증) 445 152,507 - - 변경 2 광장 교통광장 의왕시 왕곡동 460-12일원 152,062 증) 445 152,507 - ․중복면적 제외 (수도공급시설:108㎡, 하천:184㎡) ㅇ광장 결정(변경)사유서 도면표시 번호 시 설 명 변경내용 변경사유 2 광장 ․ 면적증가 - 152,062㎡→152,507㎡ ․ 소음저감시설(방음벽)설치로 인한증설 2) 공원(변경) ㅇ 공원(변경)조서(변경) 구분 도면 표시번호 시설명 시설 의 종류 위치 면적(㎡) 최초 결정일 비고기정 변경 변경후 계 - - - - 88,405 감) 1,578 86,827 - 변경 16 공원 근린공원 고천동 산48 일원 52,678 감) 747 51,931 국토부제2016-926호 (2016.12.28) 기정 62 공원 소공원 고천동 171-6 일원 2,489 - 2,489 국토부제2016-926호 (2016.12.28) 공공청사1 중복결정(1,195㎡) 포함기정 63 공원 소공원 고천동 171-10 일원 3,664 - 3,664 국토부제2016-926호 (2016.12.28) 변경 64 공원 소공 원 고천동 193-4 일원 2,416 감) 831 1,585 국토부제2016-926호 (2016.12.28) 기정 10 공원 수변 공원 고천동 252 일원 11,193 - 11,193 국토부제2016-926호 (2016.12.28) 유수지8 중복결정(4,375㎡) 포함기정 3 공원 문화공원 고천동 100-2 일원 15,965 - 15,965 국토부제2016-926호 (2016.12.28) 주차장90 중복결정(4,275㎡) 포함ㅇ 공원 결정(변경) 사유서 도면표 시번호 공 원 명 변경내용 변경사유 16 근린공원 ․ 면적 변경 - 면적 : 52,678㎡→51,931㎡ (감 747㎡) ․수도공급설비 신설 및 광장 증설에 따른토지이용계획 변경 64 소공원 ․ 면적 변경 - : 2,416㎡→1,585㎡ (감 831㎡) ․지구밖 미편입토지 통행로 확보에 따른토지이용계획 변경 20 3) 녹지(변경) ㅇ 녹지 결정(변경)조서 구분 도면 표시번호 시설명 시설의 종류 위치 면적(㎡) 최초 결정일 비고기정 변경 변경후 합 계 - 21,155 증)555 21,710 소 계 - 1,183 - 1,183 기정 47 녹지 완충녹지 고천동 85-2 일원 1,183 - 1,183 국토부제2016-926호 (2016.12.28) 소 계 - 15,047 증)555 15,602 변경 61 녹지 경관녹지 고천동 175-4 일원 2,109 증)555 2,664 국토부제2016-926호 (2016.12.28) 기정 62 녹지 경관녹지 고천동 325-1 일원 5,672 5,672 국토부제2016-926호 (2016.12.28) 기정 63 녹지 경관녹지 고천동 53-5 일원 1,193 1,193 국토부제2016-926호 (2016.12.28) 기정 64 녹지 경관녹지 고천동 118-5 일원 667 667 국토부제2016-926호 (2016.12.28) 기정 65 녹지 경관녹지 고천동 122-1 일원 200 200 국토부제2016-926호 (2016.12.28) 기정 66 녹지 경관녹지 고천동 127-2 일원 54 54 국토부제2016-926호 (2016.12.28) 기정 67 녹지 경관녹지 고천동 150-3 일원 227 227 국토부제2016-926호 (2016.12.28) 기정 68 녹지 경관녹지 고천동 115 일원 462 462 국토부제2016-926호 (2016.12.28) 기정 69 녹지 경관녹지 고천동 162-2 일원 724 724 국토부제2016-926호 (2016.12.28) 기정 79 녹지 경관녹지 고천동 90-7 일원 278 278 국토부제2019-717호 (2019.12.12) 기정 80 녹지 경관녹지 고천동 176-11 일원 901 901 국토부제2019-717호 (2019.12.12) 기정 81 녹지 경관녹지 고천동 79-1 일원 275 275 국토부제2019-717호 (2019.12.12) 기정 82 녹지 경관녹지 고천동 100-6 일원 620 620 국토부제2019-717호 (2019.12.12) 기정 83 녹지 경관녹지 고천동 90-6 일원 110 110 - 기정 84 녹지 경관녹지 고천동 90-6 일원 118 118 - 기정 85 녹지 경관녹지 고천동 165-2 일원 884 884 - 기정 86 녹지 경관녹지 고천동 207-4 일원 553 553 - 소 계 - 4,925 4,925 기정 29 녹지 연결녹지 고천동 247-1 일원 1,771 1,771 국토부제2016-926호 (2016.12.28) 기정 31 녹지 연결녹지 고천동 61-14 일원 3,154 3,154 국토부제2016-926호 (2016.12.28) ㅇ 녹지 결정(변경)사유서 도면표시 번호 시 설 명 변경내용 변경사유 61 경관녹지 ․ 면적 변경 -면적 : 2,109㎡→2,664㎡ (증 555㎡) ․ 도로신설(지구밖 미편입토지 통행로)로 인한사면구간의 녹지편입 4) 공공공지(변경없음) : 게재생략 21 다. 유통 및 공급시설(변경) 1) 수도공급설비 결정(변경) ㅇ 수도공급설비 결정(변경)조서 구분 도면 표시번호 시설명 시설 의 종류 위치 면적(㎡) 최초 결정일 비고 기정 변경 변경후 합 계 - - 증) 594 594 - 신설 1 수도공급 설비 수도공급설비 고천동 48-13 일원 - 증) 594 594 - ․신설광장2(108㎡) 중복결정 포함ㅇ 수도공급설비 결정(변경)사유서 도면표시 번호 시 설 명 변경내용 변경사유 1 수도공급 설비 ․ 수도공급설비 신설 면적 : 0㎡→594㎡ (증 594㎡) ․ 수도권 광역상수도(5단계)의 지구내 저촉에따른 수도공급설비 신설 라. 공공·문화체육시설(변경) 1) 공공청사(변경) ㅇ 공공청사 결정(변경)조서(변경) 구분 도면 표시 번호 시설명 시설의 종류 위치 면적(㎡) 최초 결정일 비고 기정 변경 변경후 합 계 - 57,584 증) 1,592 59,176 - 기정 1 공공청사 시청 고천동 171 일원 32,112 - 32,112 의왕시제17호 (2002.06.24) 소공원1 중복결정 (1,195㎡) 제외 기정 3 공공청사 보건소 고천동 108 일원 4,546 - 4,546 의왕시제26호 (2004.07.12) 기정 4 공공청사 소방서 고천동 78-3 일원 6,699 - 6,699 의왕시제26호 (2004.07.12) 기정 29 공공청사 경찰서 고천동 231-1 일원 14,227 감)44 14,183 의왕시제13호 (2014.02.27) 신설 A 공공청사 공공업 무시설 고천동 90-1 일원 - 증) 1,636 1,636 - - - 공공청사 결정(변경)사유서 도면표시 번호 시 설 명 변경내용 변경사유 29 공공청사 ․ 면적감소(감 44㎡) ․ 중로2-13호선의 차량의 안전주행 및시야확보 향상을 위한 곡선부 선형조정A 공공청사 ․ 공공업무시설 신설 면적 : 0㎡→1,636㎡ (증 1,636㎡) ․ 토지이용계획 변경에 따른 공공청사 신설2) 학교(변경없음) : 게재생략 3) 문화시설(변경없음) : 게재생략 4) 사회복지시설(변경없음) : 게재생략 5) 청소년수련시설(변경없음) : 게재생략 라. 방재시설(변경없음) : 게재생략 4. 용도지역⋅지구 결정(변경)도(변경없음) : 게재생략 5. 용도구역(개발제한구역해제) 결정(변경)도(변경없음) : 게재생략 6. 도시계획시설 결정(변경)도(변경) : 게재생략 7. 도시관리계획 결정(변경)도(변경) : 게재생략 22 [붙임2] 의왕고천 공공주택지구 공공시설 등의 명세서 및 처분계획서(변경) 1. 무상귀속 및 대체에 관한 공공시설물 및 토지 등의 조서총괄(변경) 가. 무상귀속(사업시행자) 총괄(변경없음) 구 분 필 지 수 면 적 (㎡) 비 고계 197 91,474 구거 9 3,042 도로 94 57,830 제방 38 2,295 하천 56 28,307 나. 대체시설 총괄(변경) 시설의 구분 면 적 (㎡) 비 고 소 계 기정 222,663.9 - 변경 222,707.9 도 로 기정 89,706.9 35개 노선 - 보행자도로 및 현황도로 면적포함 변경 90,026.9 - 지구 밖 도로 면적포함 녹 지 기정 21,155 20개소 (완충1, 경관17, 연결2) 변경 21,710 공 원 기정 88,405 근1, 소공1∼3, 수변1(유수지 4,375㎡ 수변공원 내 시설로 중복결정), 변경 문화1(주차장 4,275㎡ 문화공원 내 시설로 중복결정) 86,827 광장 153 ·중복면적 제외 (수도공급시설:108㎡, 하천:184㎡) 수도공급설비 594 ·1개소 ·광장2(108㎡) 중복결정 포함 공공공지 기정 616 2개소 하 천 기정 22,781 지방하천(안양천) ※ 각 시설별 중복면적 제외함 2. 대체시설물을 시행할 자 및 시행방법(변경없음) 가. 시행할 자 - 의왕시 - 김 성 제 한국토지주택공사 – 이 한 준 나. 시행방법(변경없음) -「공공주택 특별법」에 의한 공공주택사업 3. 대체시설물 관리할 자(변경없음) : 의왕시장 4. 무상귀속 및 대체공공시설의 조서 및 도면(변경) 가. 사업시행자 귀속분조서(변경없음) : 게재생략 나. 사업시행자 귀속분 도면(변경없음) : 게재생략 23 다. 국가(지방자치단체) 귀속분 조서(변경) 1) 도 로(변경) ㅇ 도로총괄표 (지구 내) 류별 합계 1류 2류 3류 노선수 연장(m) 면적(㎡) 노선수 연장(m) 면적(㎡) 노선수 연장(m) 면적(㎡) 노선수 연장(m) 면적(㎡) 합계 기정 34 5,131 89,706.9 11 2,430 38,240 9 1,413 29,622 14 1,288 14,784 변경 35 5,200 90,026.9 11 2,430 38,240 9 1,413 29,666 15 1,357 15,060 일반도로 대로 1 755 22,650 - - - 1 755 22,650 - - - 중로 기정 13 2,814 45,652 4 1,394 27,880 2 244 3,660 7 1,176 14,112 변경 13 2,814 45,696 4 1,394 27,880 2 244 3,704 7 1,176 14,112 소로 기정 17 1,509 14,024 7 1,036 10,360 6 414 3,312 4 59 352 변경 18 1,578 14,300 7 1,036 10,360 6 414 3,312 5 128 628 특수도로 (보행자 전용도로) 소로 3 53 320 - - - - - - 3 53 320 기타 - - 7,060.9 가감속 차선, 가각전제, 현황도로(월드비전 진입도로) 등 (지구 외) 류별 합계 1류 2류 3류 노선 수 연장 (m) 면적 (㎡) 노선 수 연장 (m) 면적 (㎡) 노선 수 연장 (m) 면적 (㎡) 노선 수 연장 (m) 면적(㎡) 합계 1 43 691 - - - 1 43 691 - - - 일반도로 중로 1 43 691 - - - 1 43 691 - - - ※ 중로2-13호선의 지구 밖 연장 및 면적임 ㅇ 도로 결정(변경)조서 구분 규모 기능 연장(m) 기점 종점 사용형태 주요 경과지 최초 결정일 비고등급 류 별 번호 폭원(m) 기정 대로 2 1 30~39 보조 간선도로 3,676 (755) 광2-1 삼동 471-134 일반도로 기정 중로 1 1 20~28 집산도로 1,170 (599) 대1-2 대2-1 일반도로 기정 중로 1 9 20 국지도로 256 중1-1 중3-20 일반도로 기정 중로 1 10 20 집산도로 373 대2-1 중1-1 일반도로 기정 중로 1 11 20 집산도로 166 대2-1 고천동 71-1 일원 일반도로 국토부제2016-926호 (2016.12.28) 기정 중로 2 12 15 국지도로 114 중1-11 소1-77 일반도로 국토부제2016-926호 (2016.12.28) 기정 중로 2 13 15 집산도로 173 (130) 광2-1 중1-10 일반도로 경기도제435호 (1995.06.05.) 변경 중로 2 13 15~17.7 집산도로 173 (130) 광2-1 중1-10 일반도로 경기도제435호 (1995.06.05.) 기정 중로 3 1 12 집산도로 523 대2-1 대2-1 일반도로 기정 중로 3 15 12 국지도로 162 대2-1 중1-10 일반도로 국토부제2016-926호 (2016.12.28) 기정 중로 3 16 12 국지도로 136 중1-1 중3-15 일반도로 기정 중로 3 17 12 국지도로 83 중1-15 중3-15 일반도로 국토부제2016-926호 (2016.12.28) 24 (지구 외) 구분 규모 기능 연장(m) 기점 종점 사용형태 주요 경과지 최초 등급 류별 번호 폭원 결정일 비고(m) 기정 중로 2 13 15 집산도로 173 (43) 광2-1 중1-10 일반도로 경기도제435호 (1995.06.05.) 구분 규모 기능 연장(m) 기점 종점 사용형태 주요 경과 지 최초 결정일 비고등급 류 별 번호 폭원(m) 기정 중로 3 18 12 국지도로 143 중1-11 중3-1 일반도로 국토부제2016-926호 (2016.12.28) 기정 중로 3 19 12 국지도로 24 광2-1 소1-77 일반도로 기정 중로 3 20 12 국지도로 105 중1-9 소2-129 일반도로 국토부제2016-926호 (2016.12.28) 기정 소로 1 72 10 국지도로 263 중3-16 중3-16 일반도로 국토부제2016-926호 (2016.12.28) 기정 소로 1 73 10 국지도로 40 중3-18 소3-16 일반도로 국토부제2016-926호 (2016.12.28) 기정 소로 1 74 10 국지도로 48 중3-18 소2-14 일반도로 기정 소로 1 75 10 국지도로 48 중3-18 소3-17 일반도로 국토부제2016-926호 (2016.12.28) 기정 소로 1 76 10 국지도로 48 중3-18 소3-14 일반도로 국토부제2016-926호 (2016.12.28) 기정 소로 1 77 10 국지도로 367 대2-1 고천동 61-6 일원 일반도로 기정 소로 1 78 10 국지도로 222 중1-1 대2-1 일반도로 기정 소로 2 11 8 국지도로 62 소1-72 소2-12 일반도로 국토부제2016-926호 (2016.12.28) 기정 소로 2 12 8 국지도로 78 소1-72 소1-72 일반도로 국토부제2016-926호 (2016.12.28) 기정 소로 2 13 8 국지도로 71 소1-3 소1-75 일반도로 국토부제2016-926호 (2016.12.28) 기정 소로 2 14 8 국지도로 129 소1-74 소1-76 일반도로 국토부제2016-926호 (2016.12.28) 기정 소로 2 129 8 국지도로 67 중3-20 고천동 439-118 일원 일반도로 의왕시제33호 (2003.10.27.) 기정 소로 2 15 9.2 국지도로 7 중3-1 소로2-183 일반도로 기정 소로 3 19 6 국지도로 6 중3-1 고천동 122 일원 일반도로 국토부제2016-926호 (2016.12.28) 기정 소로 3 20 6 국지도로 3 대2-1 고천동 127-1 일원 일반도로 국토부제2016-926호 (2016.12.28) 기정 소로 3 21 6 특수도로 20 중1-10 소1-72 보행자 도로 국토부제2016-926호 (2016.12.28) 기정 소로 3 22 6 특수도로 20 중3-15 소1-72 보행자 도로 국토부제2016-926호 (2016.12.28) 기정 소로 3 24 6 특수도로 13 대2-1 소3-16 보행자 도로 국토부제2021-1272호 (2021.11.25.) 기정 소로 3 278 4 국지도로 34 중3-20 고천동 산15-2 일반도로 국토부제2021-1272호 (2021.11.25.) 신설 소로 3 25 4 국지도로 69 소2-12 9 고천동 193-3 보행자 우선도로 25 2) 녹 지(변경) ㅇ 녹지 결정(변경)조서 구분 도면 표시번호 시설명 시설의 종류 위치 면적(㎡) 최초 결정일 비고기정 변경 변경후 합 계 - 21,155 증)555 21,710 소 계 - 1,183 - 1,183 기정 47 녹지 완충녹지 고천동 85-2 일원 1,183 - 1,183 국토부제2016-926호 (2016.12.28) 소 계 - 15,047 증)555 15,602 변경 61 녹지 경관녹지 고천동 175-4 일원 2,109 증)555 2,664 국토부제2016-926호 (2016.12.28) 기정 62 녹지 경관녹지 고천동 325-1 일원 5,672 5,672 국토부제2016-926호 (2016.12.28) 기정 63 녹지 경관녹지 고천동 53-5 일원 1,193 1,193 국토부제2016-926호 (2016.12.28) 기정 64 녹지 경관녹지 고천동 118-5 일원 667 667 국토부제2016-926호 (2016.12.28) 기정 65 녹지 경관녹지 고천동 122-1 일원 200 200 국토부제2016-926호 (2016.12.28) 기정 66 녹지 경관녹지 고천동 127-2 일원 54 54 국토부제2016-926호 (2016.12.28) 기정 67 녹지 경관녹지 고천동 150-3 일원 227 227 국토부제2016-926호 (2016.12.28) 기정 68 녹지 경관녹지 고천동 115 일원 462 462 국토부제2016-926호 (2016.12.28) 기정 69 녹지 경관녹지 고천동 162-2 일원 724 724 국토부제2016-926호 (2016.12.28) 기정 79 녹지 경관녹지 고천동 90-7 일원 278 278 국토부제2019-717호 (2019.12.12) 기정 80 녹지 경관녹지 고천동 176-11 일원 901 901 국토부제2019-717호 (2019.12.12) 기정 81 녹지 경관녹지 고천동 79-1 일원 275 275 국토부제2019-717호 (2019.12.12) 기정 82 녹지 경관녹지 고천동 100-6 일원 620 620 국토부제2019-717호 (2019.12.12) 기정 83 녹지 경관녹지 고천동 90-6 일원 110 110 - 기정 84 녹지 경관녹지 고천동 90-6 일원 118 118 - 기정 85 녹지 경관녹지 고천동 165-2 일원 884 884 - 기정 86 녹지 경관녹지 고천동 207-4 일원 553 553 - 소 계 - 4,925 4,925 기정 29 녹지 연결녹지 고천동 247-1 일원 1,771 1,771 국토부제2016-926호 (2016.12.28) 기정 31 녹지 연결녹지 고천동 61-14 일원 3,154 3,154 국토부제2016-926호 (2016.12.28) 26 3) 공 원(변경) ㅇ 공원(변경)조서(변경) 구분 도면 표시번호 시설명 시설 의 종류 위치 면적(㎡) 최초 결정일 비고기정 변경 변경후 계 - - - - 88,405 감) 1,578 86,827 - 변경 16 공원 근린공원 고천동 산48 일원 52,678 감) 747 51,931 국토부제2016-926호 (2016.12.28) 기정 62 공원 소공 원 고천동 171-6 일원 2,489 - 2,489 국토부제2016-926호 (2016.12.28) 공공청사1 중복결정(1,195㎡) 포함기정 63 공원 소공원 고천동 171-10 일원 3,664 - 3,664 국토부제2016-926호 (2016.12.28) 변경 64 공원 소공원 고천동 193-4 일원 2,416 감) 831 1,585 국토부제2016-926호 (2016.12.28) 기정 10 공원 수변 공원 고천동 252 일원 11,193 - 11,193 국토부제2016-926호 (2016.12.28) 유수지8 중복결정(4,375㎡) 포함기정 3 공원 문화 공원 고천동 100-2 일원 15,965 - 15,965 국토부제2016-926호 (2016.12.28) 기 정 주차장90 중복결정(6,000㎡) 포함 변 경 주차장90 중복결정(4,275㎡) 포함 4) 광장(변경) ㅇ광장 결정(변경)조서 구분 도면표시 번호 시설명 시설의 종류 위치 면적(㎡) 최초 결정일 비고 기정 변경 변경후 계 - - - - 152,062 증) 445 152,507 - - 변경 2 광장 교통광장 의왕시 왕곡동 460-12일원 152,062 증) 445 152,507 - ․중복면적 제외 (수도공급시설:108㎡, 하천:184㎡) 5) 수도공급설비(변경) ㅇ 수도공급설비 결정(변경)조서 구분 도면표시 번호 시설명 시설의 종류 위치 면적(㎡) 최초 결정일 비고 기정 변경 변경후 합 계 - - 증) 594 594 - 신설 1 수도공급 설비 수도 공급설비 고천동 48-13 일원 - 증) 594 594 - ․신설 광장2(108㎡) 중복결정 포함6) 공공공지(변경없음) : 게재생략 7) 하 천(변경없음) : 게재생략 라. 국가(지방자치단체) 귀속분 도면(변경) : 게재생략 5. 기존 공공시설의 폐지로 인한 인근시설의 지장 유무 : 없음 6. 용도폐지되는 기존 공공시설(변경없음) : 게재생략 27 7. 대체시설로 새로이 설치되는 공공시설(변경) 가. 시설의 종류 및 내용(변경) 시설의 구분 면 적 (㎡) 비 고 소 계 기정 222,663.9 - 변경 222,707.9 도 로 기정 89,706.9 35개 노선 - 보행자도로 및 현황도로 면적포함 변경 90,026.9 - 지구 밖 도로 면적포함 녹 지 기정 21,155 20개소 (완충1, 경관17, 연결2) 변경 21,710 공 원 기정 88,405 근1, 소공1∼3, 수변1(유수지 4,375㎡ 수변공원 내 시설로 중복결정), 변경 86,827 문화1(주차장 4,275㎡ 문화공원 내 시설로 중복결정) 광장 153 ·중복면적 제외 (수도공급시설:108㎡, 하천:184㎡) 수도공급설비 594 ·1개소 ·광장2(108㎡) 중복결정 포함 공공공지 기정 616 2개소 하 천 기정 22,781 지방하천(안양천) ※ 각 시설별 중복면적 제외함 나. 시설이용계획(변경) : 게재생략
'보도자료' 카테고리의 다른 글
| 국토교통부, ‘스마트 건설신기술’로 디지털 기술혁신에 기여한다 (0) | 2023.12.25 |
|---|---|
| 국토교통부, 자동차 사고기록장치(EDR) 기록항목 확대한다 (0) | 2023.12.25 |
| 예스24, 이소라 8집 및 팝 리메이크 앨범 LP 단독 예약판매 (1) | 2023.12.22 |
| 한국가스공사 인사동정 (1) | 2023.12.22 |
| BNK금융그룹 정기인사 (1) | 2023.12.22 |
댓글